U.S. flag

An official website of the United States government

Official websites use .gov
A .gov website belongs to an official government organization in the United States.

Secure .gov websites use HTTPS
A lock ( ) or https:// means you’ve safely connected to the .gov website. Share sensitive information only on official, secure websites.

Photo of houses along Bigelow Street

Property Database

629 Mt Auburn St

Property Information

Property Class INV-OFFICE
State Class Code 346
Zoning (Unofficial) BA-1
Map/Lot 252-160
Land Area (sq. ft) 132,134

Property Value

Year of Assessment2026
Tax DistrictC10
Residential ExemptionNo
Building Value$25,652,100
Land Value$15,856,100
Assessed Value$41,508,200
Sale Price$57,500,000
Book/Page73449/186
Sale DateOctober 11, 2019
Previous Assessed Value$48,751,200

Owner Information

Owner(s)NC-P MOUNT AUBURN, LLC
93 SUMMER ST 2ND FLOOR
BOSTON, MA 02110

Building Information

Commercial Building Number 1, Section 1

Exterior
StyleOFFICE
Occupancy GEN-OFFICE
Number of Stories2
Exterior Wall Type BRICK
Roof Material RUBBER-MEMBRAN
Wall Height 12
Partititions AVERAGE
Interior
Living Area (sq. ft.)137,061
Number of Units 1
Systems
Heat TypeFORCED-AIR
Heat Fuel Oil
Plumbing AVERAGE
Condition & Grade
Year Built1961
Overall ConditionGood
Overall GradeGood
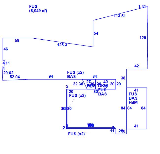
Subareas
Code Description Gross Area Living Area
BAS First Floor 43,324 43,324
DKW Deck Wood 800 0
FBM Basement, Finished 3,444 3,444
FUS Upper Story, Finished 90,293 90,293
Total: 137,861 137,061
Extra Features / Outbuildings
DescriptionELEV-PSNGR
Number of Units2.00
Unit TypeU

Photos

(Click on a photo to view it at full size)

Sketches

(Click on a sketch to view it at full size)

Related Information

This page contains much of the information used by the City of Cambridge to assess properties. The purpose of this information is to be used only for ad valorem taxation purposes and any other use is therefore not valid.

Page was last modified on 3/8/2021 6:22 PM
Contact Us

How can we help?

Please provide as much detail below as possible so City staff can respond to your inquiry:

As a governmental entity, the Massachusetts Public Records Law applies to records made or received by the City. Any information received through use of this site is subject to the same provisions as information provided on paper.

Read our complete privacy statement


Service Requests

Enter a service request via SeeClickFix for things like missed trash pickups, potholes, etc.