U.S. flag

An official website of the United States government

Official websites use .gov
A .gov website belongs to an official government organization in the United States.

Secure .gov websites use HTTPS
A lock ( ) or https:// means you’ve safely connected to the .gov website. Share sensitive information only on official, secure websites.

Photo of houses along Bigelow Street

Property Database

592 Huron Ave

Property Information

Property Class TWO-FAM-RES
State Class Code 104
Zoning (Unofficial) B
Map/Lot 253-75
Land Area (sq. ft) 6,652

Property Value

Year of Assessment2026
Tax DistrictR7
Residential ExemptionYes
Building Value$2,620,500
Land Value$628,700
Assessed Value$3,249,200
Sale Price$1,399,000
Book/Page66337/142
Sale DateNovember 4, 2015
Previous Assessed Value$3,155,300

Owner Information

Owner(s)SOROCA, ADAM L. & KAREN A. SOROCA
592 HURON AVENUE
CAMBRIDGE, MA 02138

Building Information

Residential Building Number 1, Section 1

Exterior
StyleOLD STYLE TWO FAM
Occupancy TWO-FAM-RES
Number of Stories2.75
Exterior Wall Type Wood Shingle
Roof Type Gable
Roof Material Aspahlt Shingl
Interior
Living Area (sq. ft.)4,008
Number of Units 2
Total Rooms 14
Bedrooms 5
Kitchens 2
Full Baths 4
Half Baths 1
Fireplaces 1
Systems
Heat TypeForced Air
Heat Fuel Gas
Central A/C Yes
Condition & Grade
Year Built1908
Interior Condition Excellent
Overall ConditionVery Good
Overall GradeGood Very Good
Parking
Open Parking2
Covered Parking2
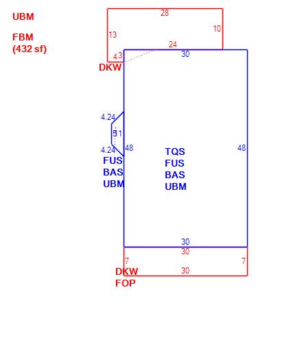
Subareas
Code Description Gross Area Living Area
BAS First Floor 1,464 1,464
DKW Deck Wood 502 0
FBM Basement, Finished 432 0
FOP Porch, Open 210 0
FUS Upper Story, Finished 1,464 1,464
TQS Three Quarter Story 1,440 1,080
UBM Basement 1,032 0
Total: 6,544 4,008
Extra Features / Outbuildings
DescriptionGAR-1.0S
Number of Units400.00
Unit TypeSF

Photos

(Click on a photo to view it at full size)

Sketches

(Click on a sketch to view it at full size)

Related Information

This page contains much of the information used by the City of Cambridge to assess properties. The purpose of this information is to be used only for ad valorem taxation purposes and any other use is therefore not valid.

Page was last modified on 3/8/2021 6:22 PM
Contact Us

How can we help?

Please provide as much detail below as possible so City staff can respond to your inquiry:

As a governmental entity, the Massachusetts Public Records Law applies to records made or received by the City. Any information received through use of this site is subject to the same provisions as information provided on paper.

Read our complete privacy statement


Service Requests

Enter a service request via SeeClickFix for things like missed trash pickups, potholes, etc.