U.S. flag

An official website of the United States government

Official websites use .gov
A .gov website belongs to an official government organization in the United States.

Secure .gov websites use HTTPS
A lock ( ) or https:// means you’ve safely connected to the .gov website. Share sensitive information only on official, secure websites.

Photo of houses along Bigelow Street

Property Database

11 Thingvalla Ave

Property Information

Property Class SNGL-FAM-RES
State Class Code 101
Zoning (Unofficial) C-1
Map/Lot 255-103
Land Area (sq. ft) 4,118

Property Value

Year of Assessment2026
Tax DistrictR7
Residential ExemptionYes
Building Value$682,800
Land Value$519,200
Assessed Value$1,202,000
Sale Price$266,000
Book/Page27670/293
Sale DateSeptember 15, 1997
Previous Assessed Value$1,170,000

Owner Information

Owner(s)DELANEY, SEAN F. &
INGRID H. NOWAK-DELANEY
11 THINGVALLA AVE.
CAMBRIDGE, MA 02138-4417

Building Information

Residential Building Number 1, Section 1

Exterior
StyleCONVENTIONAL
Occupancy SNGL-FAM-RES
Number of Stories2
Exterior Wall Type Frame-Clapbrd
Roof Type Gable
Roof Material Aspahlt Shingl
Interior
Living Area (sq. ft.)1,523
Number of Units 1
Total Rooms 6
Bedrooms 2
Kitchens 1
Full Baths 2
Half Baths 1
Fireplaces 0
Systems
Heat TypeHot Water
Heat Fuel Gas
Central A/C No
Condition & Grade
Year Built1875
Interior Condition Good
Overall ConditionGood
Overall GradeAverage
Parking
Open Parking2
Covered Parking0
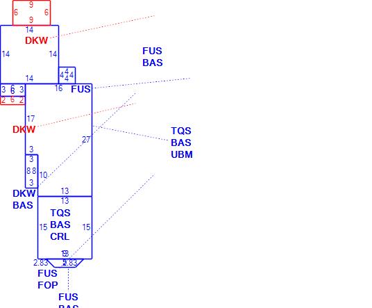
Subareas
Code Description Gross Area Living Area
BAS First Floor 825 825
CRL Crawl 195 0
DKW Deck Wood 84 0
FOP Porch, Open 24 0
FUS Upper Story, Finished 250 250
TQS Three Quarter Story 597 448
UBM Basement 402 0
Total: 2,377 1,523
Extra Features / Outbuildings
DescriptionPATIO-CONCRT
Number of Units80.00
Unit TypeSF

Photos

(Click on a photo to view it at full size)

Sketches

(Click on a sketch to view it at full size)

Related Information

This page contains much of the information used by the City of Cambridge to assess properties. The purpose of this information is to be used only for ad valorem taxation purposes and any other use is therefore not valid.

Page was last modified on 3/8/2021 6:22 PM
Contact Us

How can we help?

Please provide as much detail below as possible so City staff can respond to your inquiry:

As a governmental entity, the Massachusetts Public Records Law applies to records made or received by the City. Any information received through use of this site is subject to the same provisions as information provided on paper.

Read our complete privacy statement


Service Requests

Enter a service request via SeeClickFix for things like missed trash pickups, potholes, etc.