U.S. flag

An official website of the United States government

Official websites use .gov
A .gov website belongs to an official government organization in the United States.

Secure .gov websites use HTTPS
A lock ( ) or https:// means you’ve safely connected to the .gov website. Share sensitive information only on official, secure websites.

Photo of houses along Bigelow Street

Property Database

648 Huron Ave

Property Information

Property Class THREE-FM-RES
State Class Code 105
Zoning (Unofficial) B
Map/Lot 258-41
Land Area (sq. ft) 3,240

Property Value

Year of Assessment2026
Tax DistrictR7
Residential ExemptionNo
Building Value$1,474,100
Land Value$483,200
Assessed Value$1,957,300
Sale Price$409,000
Book/Page67299/261
Sale DateMay 23, 2016
Previous Assessed Value$1,875,500

Owner Information

Owner(s)MARCHIO, MARIO & GORDANA MARCHIO
648 HURON AVE
CAMBRIDGE, MA 02138

Building Information

Residential Building Number 1, Section 1

Exterior
StyleOLD STYLE THREE FAM
Occupancy THREE-FM-RES
Number of Stories2.5
Exterior Wall Type Aluminum-Vinyl
Roof Type Gable
Roof Material Aspahlt Shingl
Interior
Living Area (sq. ft.)3,500
Number of Units 3
Total Rooms 14
Bedrooms 5
Kitchens 3
Full Baths 3
Half Baths 1
Fireplaces 0
Systems
Heat TypeSteam
Heat Fuel Gas
Central A/C No
Condition & Grade
Year Built1916
Interior Condition Good
Overall ConditionGood
Overall GradeGood
Parking
Open Parking3
Covered Parking0
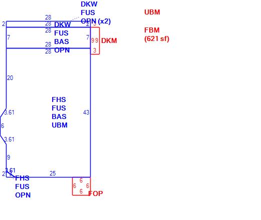
Subareas
Code Description Gross Area Living Area
BAS First Floor 1,415 1,415
DKM Deck Masonry 27 0
DKW Deck Wood 252 0
FBM Basement, Finished 621 0
FHS Half Story, Finished 1,222 611
FOP Porch, Open 36 0
FUS Upper Story, Finished 1,474 1,474
OPN Open Area 311 0
UBM Basement 598 0
Total: 5,956 3,500

Photos

(Click on a photo to view it at full size)

Sketches

(Click on a sketch to view it at full size)

Related Information

This page contains much of the information used by the City of Cambridge to assess properties. The purpose of this information is to be used only for ad valorem taxation purposes and any other use is therefore not valid.

Page was last modified on 3/8/2021 6:22 PM
Contact Us

How can we help?

Please provide as much detail below as possible so City staff can respond to your inquiry:

As a governmental entity, the Massachusetts Public Records Law applies to records made or received by the City. Any information received through use of this site is subject to the same provisions as information provided on paper.

Read our complete privacy statement


Service Requests

Enter a service request via SeeClickFix for things like missed trash pickups, potholes, etc.