U.S. flag

An official website of the United States government

Official websites use .gov
A .gov website belongs to an official government organization in the United States.

Secure .gov websites use HTTPS
A lock ( ) or https:// means you’ve safely connected to the .gov website. Share sensitive information only on official, secure websites.

Photo of houses along Bigelow Street

Property Database

1A Blanchard Rd

Property Information

Property Class SNGL-FAM-RES
State Class Code 101
Zoning (Unofficial) A-2
Map/Lot 266-38
Land Area (sq. ft) 10,750

Property Value

Year of Assessment2026
Tax DistrictR15
Residential ExemptionYes
Building Value$1,215,300
Land Value$1,019,500
Assessed Value$2,234,800
Sale Price$10
Book/Page68727/152
Sale DateJanuary 9, 2017
Previous Assessed Value$2,177,800

Owner Information

Owner(s)SOMANI, SUJATA, TRUSTEE
THE SUJATA SOMANI REV TRUST
1A BLANCHARD RD
CAMBRIDGE, MA 02138

Building Information

Residential Building Number 1, Section 1

Exterior
StyleCAPE-COD
Occupancy SNGL-FAM-RES
Number of Stories1.75
Exterior Wall Type Frame-Clapbrd
Roof Type Gable
Roof Material Aspahlt Shingl
Interior
Living Area (sq. ft.)2,797
Number of Units 1
Total Rooms 7
Bedrooms 4
Kitchens 1
Full Baths 3
Half Baths 0
Fireplaces 3
Systems
Heat TypeHot Water
Heat Fuel Gas
Central A/C Yes
Condition & Grade
Year Built1963
Interior Condition Average
Overall ConditionAverage
Overall GradeGood
Parking
Open Parking3
Covered Parking2
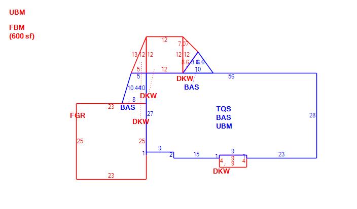
Subareas
Code Description Gross Area Living Area
BAS First Floor 1,641 1,641
DKW Deck Wood 240 0
FBM Basement, Finished 600 0
FGR Garage 575 0
TQS Three Quarter Story 1,541 1,156
UBM Basement 941 0
Total: 5,538 2,797

Photos

(Click on a photo to view it at full size)

Sketches

(Click on a sketch to view it at full size)

Related Information

This page contains much of the information used by the City of Cambridge to assess properties. The purpose of this information is to be used only for ad valorem taxation purposes and any other use is therefore not valid.

Page was last modified on 3/8/2021 6:22 PM
Contact Us

How can we help?

Please provide as much detail below as possible so City staff can respond to your inquiry:

As a governmental entity, the Massachusetts Public Records Law applies to records made or received by the City. Any information received through use of this site is subject to the same provisions as information provided on paper.

Read our complete privacy statement


Service Requests

Enter a service request via SeeClickFix for things like missed trash pickups, potholes, etc.