U.S. flag

An official website of the United States government

Official websites use .gov
A .gov website belongs to an official government organization in the United States.

Secure .gov websites use HTTPS
A lock ( ) or https:// means you’ve safely connected to the .gov website. Share sensitive information only on official, secure websites.

Photo of houses along Bigelow Street

Property Database

20 Clifton St

Property Information

Property Class TWO-FAM-RES
State Class Code 104
Zoning (Unofficial) B
Map/Lot 269-24
Land Area (sq. ft) 6,000

Property Value

Year of Assessment2026
Tax DistrictR7
Residential ExemptionYes
Building Value$631,100
Land Value$629,200
Assessed Value$1,260,300
Sale Price$1
Book/Page53641/263
Sale DateOctober 6, 2009
Previous Assessed Value$1,225,700

Owner Information

Owner(s)TSUI, WAN-MAN GINA
20 CLIFTON ST
CAMBRIDGE, MA 02140

Building Information

Residential Building Number 1, Section 1

Exterior
StyleOLD STYLE TWO FAM
Occupancy TWO-FAM-RES
Number of Stories2.25
Exterior Wall Type Aluminum-Vinyl
Roof Type Gable
Roof Material Aspahlt Shingl
Interior
Living Area (sq. ft.)2,048
Number of Units 2
Total Rooms 11
Bedrooms 6
Kitchens 2
Full Baths 3
Half Baths 0
Fireplaces 0
Systems
Heat TypeHot Water
Heat Fuel Gas
Central A/C No
Condition & Grade
Year Built1930
Interior Condition Average
Overall ConditionAverage
Overall GradeAverage
Parking
Open Parking4
Covered Parking0
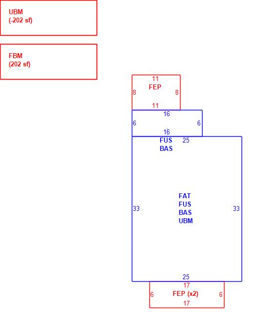
Subareas
Code Description Gross Area Living Area
BAS First Floor 921 921
FAT Finished Attic 825 206
FBM Basement, Finished 202 0
FEP Porch, Enclosed 292 0
FUS Upper Story, Finished 921 921
UBM Basement 623 0
Total: 3,784 2,048
Extra Features / Outbuildings
DescriptionGAR-1.0S
Number of Units280.00
Unit TypeSF

Photos

(Click on a photo to view it at full size)

Sketches

(Click on a sketch to view it at full size)

Related Information

This page contains much of the information used by the City of Cambridge to assess properties. The purpose of this information is to be used only for ad valorem taxation purposes and any other use is therefore not valid.

Page was last modified on 3/8/2021 6:22 PM
Contact Us

How can we help?

Please provide as much detail below as possible so City staff can respond to your inquiry:

As a governmental entity, the Massachusetts Public Records Law applies to records made or received by the City. Any information received through use of this site is subject to the same provisions as information provided on paper.

Read our complete privacy statement


Service Requests

Enter a service request via SeeClickFix for things like missed trash pickups, potholes, etc.