U.S. flag

An official website of the United States government

Official websites use .gov
A .gov website belongs to an official government organization in the United States.

Secure .gov websites use HTTPS
A lock ( ) or https:// means you’ve safely connected to the .gov website. Share sensitive information only on official, secure websites.

Photo of houses along Bigelow Street

Property Database

2 Scott St

Property Information

Property Class SNGL-FAM-RES
State Class Code 101
Zoning (Unofficial) A-2
Map/Lot 146A-28
Land Area (sq. ft) 12,334

Property Value

Year of Assessment2026
Tax DistrictR5
Residential ExemptionYes
Building Value$2,843,300
Land Value$2,450,100
Assessed Value$5,293,400
Sale Price$2,775,000
Book/Page49820/57
Sale DateJuly 23, 2007
Previous Assessed Value$5,175,800

Owner Information

Owner(s)BENKLER, YOCHAI & DEBORAH SCHRAG
2 SCOTT STREET
CAMBRIDGE, MA 02138

Building Information

Residential Building Number 1, Section 1

Exterior
StyleCOLONIAL
Occupancy SNGL-FAM-RES
Number of Stories2.75
Exterior Wall Type Frame-Clapbrd
Roof Type Hip
Roof Material Aspahlt Shingl
Interior
Living Area (sq. ft.)4,939
Number of Units 1
Total Rooms 11
Bedrooms 6
Kitchens 1
Full Baths 6
Half Baths 0
Fireplaces 5
Systems
Heat TypeForced Air
Heat Fuel Oil
Central A/C No
Condition & Grade
Year Built1897
Interior Condition Good
Overall ConditionGood
Overall GradeVery Good
Parking
Open Parking2
Covered Parking2
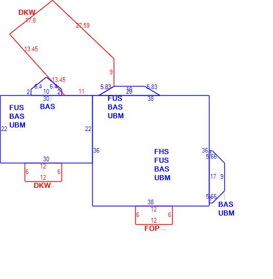
Subareas
Code Description Gross Area Living Area
BAS First Floor 2,182 2,182
DKW Deck Wood 672 0
FHS Half Story, Finished 1,368 684
FOP Porch, Open 72 0
FUS Upper Story, Finished 2,073 2,073
UBM Basement 2,142 0
Total: 8,509 4,939
Extra Features / Outbuildings
DescriptionGAR-1.0S
Number of Units400.00
Unit TypeSF

Photos

(Click on a photo to view it at full size)

Sketches

(Click on a sketch to view it at full size)

Related Information

This page contains much of the information used by the City of Cambridge to assess properties. The purpose of this information is to be used only for ad valorem taxation purposes and any other use is therefore not valid.

Page was last modified on 3/8/2021 6:22 PM
Contact Us

How can we help?

Please provide as much detail below as possible so City staff can respond to your inquiry:

As a governmental entity, the Massachusetts Public Records Law applies to records made or received by the City. Any information received through use of this site is subject to the same provisions as information provided on paper.

Read our complete privacy statement


Service Requests

Enter a service request via SeeClickFix for things like missed trash pickups, potholes, etc.