U.S. flag

An official website of the United States government

Official websites use .gov
A .gov website belongs to an official government organization in the United States.

Secure .gov websites use HTTPS
A lock ( ) or https:// means you’ve safely connected to the .gov website. Share sensitive information only on official, secure websites.

Photo of houses along Bigelow Street

Property Database

8 Scott St

Property Information

Property Class SINGLE FAM W/AUXILIARY APT
State Class Code 1014
Zoning (Unofficial) A-2
Map/Lot 146A-29
Land Area (sq. ft) 8,336

Property Value

Year of Assessment2026
Tax DistrictR5
Residential ExemptionYes
Building Value$2,638,500
Land Value$2,098,800
Assessed Value$4,737,300
Sale Price$793,000
Book/Page25599/478
Sale DateAugust 25, 1995
Previous Assessed Value$4,614,000

Owner Information

Owner(s)KELLY, DENNIS J. & DR. LINDA S. AGLIO
8 SCOTT ST
CAMBRIDGE, MA 02138-2016

Building Information

Residential Building Number 1, Section 1

Exterior
StyleVICTORIAN
Occupancy SINGLE FAM W/AUXILIARY APT
Number of Stories2.5
Exterior Wall Type Frame-Clapbrd
Roof Type Gable
Roof Material Aspahlt Shingl
Interior
Living Area (sq. ft.)4,476
Number of Units 2
Total Rooms 13
Bedrooms 4
Kitchens 2
Full Baths 4
Half Baths 1
Fireplaces 4
Systems
Heat TypeOther
Heat Fuel Gas
Central A/C Yes
Condition & Grade
Year Built1880
Interior Condition Good
Overall ConditionGood
Overall GradeVery Good Ex
Parking
Open Parking2
Covered Parking0
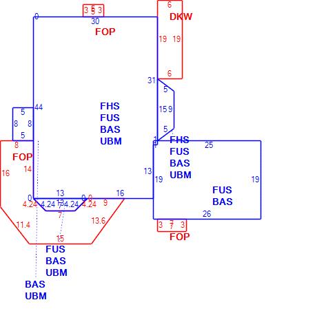
Subareas
Code Description Gross Area Living Area
BAS First Floor 1,919 1,919
DKW Deck Wood 114 0
FHS Half Story, Finished 1,355 678
FOP Porch, Open 372 0
FUS Upper Story, Finished 1,879 1,879
UBM Basement 1,425 0
Total: 7,064 4,476
Extra Features / Outbuildings
DescriptionPATIO-CONCRT
Number of Units920.00
Unit TypeSF

Photos

(Click on a photo to view it at full size)

Sketches

(Click on a sketch to view it at full size)

Related Information

This page contains much of the information used by the City of Cambridge to assess properties. The purpose of this information is to be used only for ad valorem taxation purposes and any other use is therefore not valid.

Page was last modified on 3/8/2021 6:22 PM
Contact Us

How can we help?

Please provide as much detail below as possible so City staff can respond to your inquiry:

As a governmental entity, the Massachusetts Public Records Law applies to records made or received by the City. Any information received through use of this site is subject to the same provisions as information provided on paper.

Read our complete privacy statement


Service Requests

Enter a service request via SeeClickFix for things like missed trash pickups, potholes, etc.