U.S. flag

An official website of the United States government

Official websites use .gov
A .gov website belongs to an official government organization in the United States.

Secure .gov websites use HTTPS
A lock ( ) or https:// means you’ve safely connected to the .gov website. Share sensitive information only on official, secure websites.

Photo of houses along Bigelow Street

Property Database

35.5 Essex St

Property Information

Property Class THREE-FM-RES
State Class Code 105
Zoning (Unofficial) B
Map/Lot 90-191
Land Area (sq. ft) 3,332

Property Value

Year of Assessment2026
Tax DistrictR2
Residential ExemptionNo
Building Value$1,813,100
Land Value$771,300
Assessed Value$2,584,400
Sale Price$2,233,888
Book/Page71202/178
Sale DateJune 22, 2018
Previous Assessed Value$2,483,800

Owner Information

Owner(s)SU, CHAOHUI
23 BLUEBERRY LANE
LEXINGTON, MA 02420

Building Information

Residential Building Number 1, Section 1

Exterior
StyleDECKER
Occupancy THREE-FM-RES
Number of Stories3
Exterior Wall Type Frame-Clapbrd
Roof Type Flat
Roof Material Rubber Membrai
Interior
Living Area (sq. ft.)3,744
Number of Units 3
Total Rooms 17
Bedrooms 6
Kitchens 3
Full Baths 5
Half Baths 0
Fireplaces 0
Systems
Heat TypeForced Air
Heat Fuel Gas
Central A/C No
Condition & Grade
Year Built1894
Interior Condition Very Good
Overall ConditionVery Good
Overall GradeGood
Parking
Open Parking3
Covered Parking0
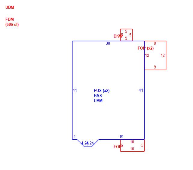
Subareas
Code Description Gross Area Living Area
BAS First Floor 1,248 1,248
DKW Deck Wood 25 0
FBM Basement, Finished 686 0
FOP Porch, Open 266 0
FUS Upper Story, Finished 2,496 2,496
UBM Basement 562 0
Total: 5,283 3,744

Photos

(Click on a photo to view it at full size)

Sketches

(Click on a sketch to view it at full size)

Related Information

This page contains much of the information used by the City of Cambridge to assess properties. The purpose of this information is to be used only for ad valorem taxation purposes and any other use is therefore not valid.

Page was last modified on 3/8/2021 6:22 PM
Contact Us

How can we help?

Please provide as much detail below as possible so City staff can respond to your inquiry:

As a governmental entity, the Massachusetts Public Records Law applies to records made or received by the City. Any information received through use of this site is subject to the same provisions as information provided on paper.

Read our complete privacy statement


Service Requests

Enter a service request via SeeClickFix for things like missed trash pickups, potholes, etc.