U.S. flag

An official website of the United States government

Official websites use .gov
A .gov website belongs to an official government organization in the United States.

Secure .gov websites use HTTPS
A lock ( ) or https:// means you’ve safely connected to the .gov website. Share sensitive information only on official, secure websites.

Photo of houses along Bigelow Street

Property Database

26 Tufts St

Property Information

Property Class 4-8-UNIT-APT
State Class Code 111
Zoning (Unofficial) C
Map/Lot 99-25
Land Area (sq. ft) 6,006

Property Value

Year of Assessment2026
Tax DistrictC4
Residential ExemptionYes
Building Value$1,551,100
Land Value$1,254,000
Assessed Value$2,805,100
Sale Price$1
Book/Page24292/420
Sale DateFebruary 23, 1994
Previous Assessed Value$2,825,700

Owner Information

Owner(s)TARABAY, ALFRED Y.
24 TUFTS ST.
CAMBRIDGE, MA 02139

Building Information

Commercial Building Number 1, Section 1

Exterior
StyleMULT-RESDNCE
Occupancy 4-8-UNIT-APT
Number of Stories3
Exterior Wall Type WOOD-SHN-SHK
Roof Material ASPHALT-SHNG
Wall Height 10
Partititions AVERAGE
Interior
Living Area (sq. ft.)7,245
Number of Units 6
Systems
Heat TypeFORCED-AIR
Heat Fuel Gas
Plumbing AVERAGE
Condition & Grade
Year Built1925
Overall ConditionGood
Overall GradeAverage
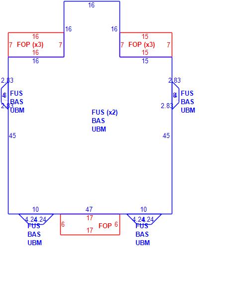
Subareas
Code Description Gross Area Living Area
BAS First Floor 2,437 2,437
FOP Porch, Open 753 0
FUS Upper Story, Finished 4,808 4,808
UBM Basement 2,437 0
Total: 10,435 7,245

Photos

(Click on a photo to view it at full size)

Sketches

(Click on a sketch to view it at full size)

Related Information

This page contains much of the information used by the City of Cambridge to assess properties. The purpose of this information is to be used only for ad valorem taxation purposes and any other use is therefore not valid.

Page was last modified on 3/8/2021 6:22 PM
Contact Us

How can we help?

Please provide as much detail below as possible so City staff can respond to your inquiry:

As a governmental entity, the Massachusetts Public Records Law applies to records made or received by the City. Any information received through use of this site is subject to the same provisions as information provided on paper.

Read our complete privacy statement


Service Requests

Enter a service request via SeeClickFix for things like missed trash pickups, potholes, etc.