U.S. flag

An official website of the United States government

Official websites use .gov
A .gov website belongs to an official government organization in the United States.

Secure .gov websites use HTTPS
A lock ( ) or https:// means you’ve safely connected to the .gov website. Share sensitive information only on official, secure websites.

Photo of houses along Bigelow Street

Property Database

141 Magazine St

Property Information

Property Class TWO-FAM-RES
State Class Code 104
Zoning (Unofficial) C
Map/Lot 100-76
Land Area (sq. ft) 6,110

Property Value

Year of Assessment2026
Tax DistrictR13
Residential ExemptionYes
Building Value$2,563,700
Land Value$1,266,100
Assessed Value$3,829,800
Sale Price$1,050,000
Book/Page62761/481
Sale DateOctober 9, 2013
Previous Assessed Value$3,687,000

Owner Information

Owner(s)BRADLEY, JOEL C. & CYNTHIA G. BRADLEY
141 MAGAZINE ST
CAMBRIDGE, MA 02139

Building Information

Residential Building Number 1, Section 1

Exterior
StyleDUPLEX
Occupancy TWO-FAM-RES
Number of Stories2.5
Exterior Wall Type Stucco
Roof Type Hip
Roof Material Slate Clay
Interior
Living Area (sq. ft.)4,608
Number of Units 2
Total Rooms 17
Bedrooms 10
Kitchens 2
Full Baths 5
Half Baths 2
Fireplaces 1
Systems
Heat TypeForced Air
Heat Fuel Gas
Central A/C Yes
Condition & Grade
Year Built1905
Interior Condition Good
Overall ConditionGood
Overall GradeVery Good
Parking
Open Parking1
Covered Parking0
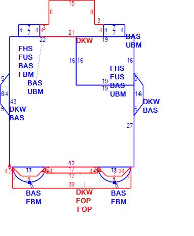
Subareas
Code Description Gross Area Living Area
BAS First Floor 1,963 1,963
DKW Deck Wood 298 0
FBM Basement, Finished 1,543 0
FHS Half Story, Finished 1,763 882
FOP Porch, Open 225 0
FUS Upper Story, Finished 1,763 1,763
UBM Basement 360 0
Total: 7,915 4,608

Photos

(Click on a photo to view it at full size)

Sketches

(Click on a sketch to view it at full size)

Related Information

This page contains much of the information used by the City of Cambridge to assess properties. The purpose of this information is to be used only for ad valorem taxation purposes and any other use is therefore not valid.

Page was last modified on 3/8/2021 6:22 PM
Contact Us

How can we help?

Please provide as much detail below as possible so City staff can respond to your inquiry:

As a governmental entity, the Massachusetts Public Records Law applies to records made or received by the City. Any information received through use of this site is subject to the same provisions as information provided on paper.

Read our complete privacy statement


Service Requests

Enter a service request via SeeClickFix for things like missed trash pickups, potholes, etc.