U.S. flag

An official website of the United States government

Official websites use .gov
A .gov website belongs to an official government organization in the United States.

Secure .gov websites use HTTPS
A lock ( ) or https:// means you’ve safely connected to the .gov website. Share sensitive information only on official, secure websites.

Photo of houses along Bigelow Street

Property Database

30 Fairmont St

Property Information

Property Class THREE-FM-RES
State Class Code 105
Zoning (Unofficial) C
Map/Lot 101-87
Land Area (sq. ft) 5,237

Property Value

Year of Assessment2026
Tax DistrictR13
Residential ExemptionNo
Building Value$1,500,300
Land Value$1,160,200
Assessed Value$2,660,500
Sale Price$127,000
Book/Page26439/492
Sale DateJune 26, 1996
Previous Assessed Value$2,552,500

Owner Information

Owner(s)TOLL, JEFFREY, TR. OF 30-32
FAIRMONT STREET REAL ESTATE TRUST
2267 NW 62ND DR
BOCA RATON, FL 33496

Building Information

Residential Building Number 1, Section 1

Exterior
StyleCONTEMPORARY
Occupancy THREE-FM-RES
Number of Stories2.75
Exterior Wall Type Frame-Clapbrd
Roof Type Gable
Roof Material Aspahlt Shingl
Interior
Living Area (sq. ft.)3,846
Number of Units 3
Total Rooms 16
Bedrooms 8
Kitchens 3
Full Baths 6
Half Baths 2
Fireplaces 2
Systems
Heat TypeForced Air
Heat Fuel Gas
Central A/C Yes
Condition & Grade
Year Built1996
Interior Condition Good
Overall ConditionGood
Overall GradeAverage
Parking
Open Parking5
Covered Parking3
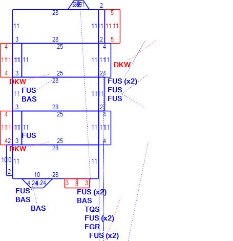
Subareas
Code Description Gross Area Living Area
BAS First Floor 705 705
DKW Deck Wood 167 0
FGR Garage 858 0
FHS Half Story, Finished 616 308
FUS Upper Story, Finished 2,602 2,602
TQS Three Quarter Story 308 231
UBM Basement 616 0
Total: 5,872 3,846

Photos

(Click on a photo to view it at full size)

Sketches

(Click on a sketch to view it at full size)

Related Information

This page contains much of the information used by the City of Cambridge to assess properties. The purpose of this information is to be used only for ad valorem taxation purposes and any other use is therefore not valid.

Page was last modified on 3/8/2021 6:22 PM
Contact Us

How can we help?

Please provide as much detail below as possible so City staff can respond to your inquiry:

As a governmental entity, the Massachusetts Public Records Law applies to records made or received by the City. Any information received through use of this site is subject to the same provisions as information provided on paper.

Read our complete privacy statement


Service Requests

Enter a service request via SeeClickFix for things like missed trash pickups, potholes, etc.