U.S. flag

An official website of the United States government

Official websites use .gov
A .gov website belongs to an official government organization in the United States.

Secure .gov websites use HTTPS
A lock ( ) or https:// means you’ve safely connected to the .gov website. Share sensitive information only on official, secure websites.

Photo of houses along Bigelow Street

Property Database

75 Magazine St

Property Information

Property Class >8-UNIT-APT
State Class Code 112
Zoning (Unofficial) C
Map/Lot 104-32
Land Area (sq. ft) 9,041

Property Value

Year of Assessment2026
Tax DistrictC4
Residential ExemptionNo
Building Value$3,791,200
Land Value$2,346,900
Assessed Value$6,138,100
Sale Price$1
Book/Page1343/85
Sale DateAugust 28, 2007
Previous Assessed Value$6,234,000

Owner Information

Owner(s)73-75 MAGAZINE STREET LLC,
C/O ROLLS REALTY INC.
1125 COMMONWEALTH AVE
ALLSTON, MA 02134

Building Information

Commercial Building Number 1, Section 1

Exterior
StyleAPARTMENTS
Occupancy >8-UNIT-APT
Number of Stories4
Exterior Wall Type BRICK
Roof Material TAR-GRAVEL
Wall Height 12
Partititions AVERAGE
Interior
Living Area (sq. ft.)15,753
Number of Units 16
Systems
Heat TypeSTEAM
Heat Fuel Oil
Plumbing AVERAGE
Condition & Grade
Year Built1913
Overall ConditionFair
Overall GradeGood
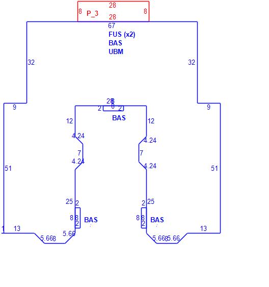
Subareas
Code Description Gross Area Living Area
BAS First Floor 5,283 5,283
FUS Upper Story, Finished 10,470 10,470
P_3 Balcony 3 Story 224 0
UBM Basement 5,235 0
Total: 21,212 15,753

Photos

(Click on a photo to view it at full size)

Sketches

(Click on a sketch to view it at full size)

Related Information

This page contains much of the information used by the City of Cambridge to assess properties. The purpose of this information is to be used only for ad valorem taxation purposes and any other use is therefore not valid.

Page was last modified on 3/8/2021 6:22 PM
Contact Us

How can we help?

Please provide as much detail below as possible so City staff can respond to your inquiry:

As a governmental entity, the Massachusetts Public Records Law applies to records made or received by the City. Any information received through use of this site is subject to the same provisions as information provided on paper.

Read our complete privacy statement


Service Requests

Enter a service request via SeeClickFix for things like missed trash pickups, potholes, etc.