U.S. flag

An official website of the United States government

Official websites use .gov
A .gov website belongs to an official government organization in the United States.

Secure .gov websites use HTTPS
A lock ( ) or https:// means you’ve safely connected to the .gov website. Share sensitive information only on official, secure websites.

Photo of houses along Bigelow Street

Property Database

239 First St

Property Information

Property Class INV-OFFICE
State Class Code 346
Zoning (Unofficial) PUD-3
Map/Lot 13-16
Land Area (sq. ft) 70,489

Property Value

Year of Assessment2026
Tax DistrictC1
Residential ExemptionNo
Building Value$216,066,600
Land Value$43,501,600
Assessed Value$259,568,200
Sale Price$311,250,000
Book/Page68037/281
Sale DateSeptember 19, 2016
Previous Assessed Value$300,303,100

Owner Information

Owner(s)CLPF-CAMBRIDGE SCIENCE CENTER, LLC,
C/O LINCOLN PROPERTY COMPANY
245 FIRST ST
CAMBRIDGE, MA 02142

Building Information

Commercial Building Number 1, Section 1

Exterior
StyleLIFE SCI HI TECH
Occupancy INV-OFFICE
Number of Stories5
Exterior Wall Type CONCR PANEL
Roof Material RUBBER-MEMBRAN
Wall Height 12
Partititions GOOD
Interior
Living Area (sq. ft.)144,672
Number of Units 2
Systems
Heat TypeHOT/CHLD-WTR
Heat Fuel Gas
Plumbing GOOD
Condition & Grade
Year Built1900
Overall ConditionExcellent
Overall GradeSpecial
Subareas
Code Description Gross Area Living Area
BAS First Floor 33,018 33,018
F_3 Upper Finish 3 15,256 45,768
F_4 Upper Finish 4 Stry 10,126 40,504
SBM Semi-Basement Fin 25,382 25,382
Total: 83,782 144,672
Extra Features / Outbuildings
DescriptionELEV-PSNGR
Number of Units2.00
Unit TypeU

Commercial Building Number 2, Section 1

Exterior
StyleOFFICE
Occupancy INV-OFFICE
Number of Stories16
Exterior Wall Type BRICK
Roof Material OTHER
Wall Height 14
Partititions GOOD
Interior
Living Area (sq. ft.)156,532
Number of Units 1
Systems
Heat TypeHOT/CHLD-WTR
Heat Fuel Gas
Plumbing GOOD
Condition & Grade
Year Built1985
Overall ConditionVery Good
Overall GradeVery-good-ex
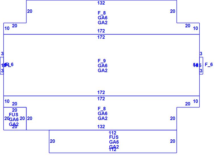
Subareas
Code Description Gross Area Living Area
F_6 Upper Finish 6 Stry 90 540
F_8 Upper Finish 8 Stry 8,720 69,760
F_9 Upper Finish 9 Stry 9,288 83,592
FUS Upper Story, Finished 2,640 2,640
GA2 Garage 2 Story 20,648 0
GA6 Garage 6 Story 20,648 0
Total: 62,034 156,532

Photos

(Click on a photo to view it at full size)

Sketches

(Click on a sketch to view it at full size)

Related Information

This page contains much of the information used by the City of Cambridge to assess properties. The purpose of this information is to be used only for ad valorem taxation purposes and any other use is therefore not valid.

Page was last modified on 3/8/2021 6:22 PM
Contact Us

How can we help?

Please provide as much detail below as possible so City staff can respond to your inquiry:

As a governmental entity, the Massachusetts Public Records Law applies to records made or received by the City. Any information received through use of this site is subject to the same provisions as information provided on paper.

Read our complete privacy statement


Service Requests

Enter a service request via SeeClickFix for things like missed trash pickups, potholes, etc.