U.S. flag

An official website of the United States government

Official websites use .gov
A .gov website belongs to an official government organization in the United States.

Secure .gov websites use HTTPS
A lock ( ) or https:// means you’ve safely connected to the .gov website. Share sensitive information only on official, secure websites.

Photo of houses along Bigelow Street

Property Database

85 Hancock St

Property Information

Property Class >8-UNIT-APT
State Class Code 112
Zoning (Unofficial) C-2B
Map/Lot 116-92
Land Area (sq. ft) 9,208

Property Value

Year of Assessment2026
Tax DistrictC6
Residential ExemptionNo
Building Value$5,569,700
Land Value$2,640,200
Assessed Value$8,209,900
Sale Price$100
Book/Page59361/275
Sale DateJune 25, 2012
Previous Assessed Value$8,268,300

Owner Information

Owner(s)85 HANCOCK STREET PROPERTIES CORP
907 MASSACHUSETTS AVE.
CAMBRIDGE, MA 02139

Building Information

Commercial Building Number 1, Section 1

Exterior
StyleAPARTMENTS
Occupancy >8-UNIT-APT
Number of Stories7
Exterior Wall Type BRICK-VENEER
Roof Material ASPHALT-SHNG
Wall Height 10
Partititions AVERAGE
Interior
Living Area (sq. ft.)23,450
Number of Units 18
Systems
Heat TypeFORCED-AIR
Heat Fuel Gas
Plumbing AVERAGE
Condition & Grade
Year Built1996
Overall ConditionAverage
Overall GradeAverage
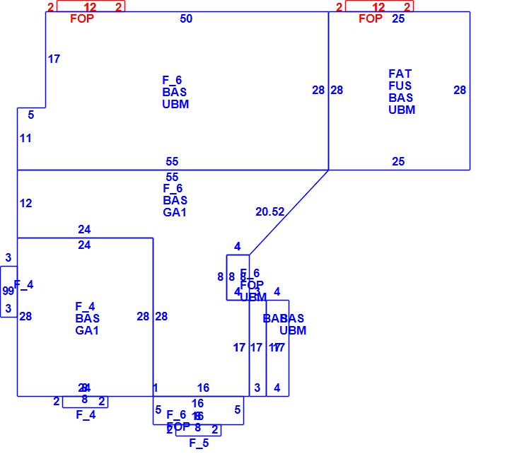
Subareas
Code Description Gross Area Living Area
BAS First Floor 3,987 3,987
F_4 Upper Finish 4 Stry 715 2,860
F_5 Upper Finish 5 Stry 16 80
F_6 Upper Finish 6 Stry 2,608 15,648
FAT Finished Attic 700 175
FOP Porch, Open 160 0
FUS Upper Story, Finished 700 700
GA1 Garage 1,713 0
UBM Basement 2,255 0
Total: 12,854 23,450

Photos

(Click on a photo to view it at full size)

Sketches

(Click on a sketch to view it at full size)

Related Information

This page contains much of the information used by the City of Cambridge to assess properties. The purpose of this information is to be used only for ad valorem taxation purposes and any other use is therefore not valid.

Page was last modified on 3/8/2021 6:22 PM
Contact Us

How can we help?

Please provide as much detail below as possible so City staff can respond to your inquiry:

As a governmental entity, the Massachusetts Public Records Law applies to records made or received by the City. Any information received through use of this site is subject to the same provisions as information provided on paper.

Read our complete privacy statement


Service Requests

Enter a service request via SeeClickFix for things like missed trash pickups, potholes, etc.