U.S. flag

An official website of the United States government

Official websites use .gov
A .gov website belongs to an official government organization in the United States.

Secure .gov websites use HTTPS
A lock ( ) or https:// means you’ve safely connected to the .gov website. Share sensitive information only on official, secure websites.

Photo of houses along Bigelow Street

Property Database

27 Clinton St

Property Information

Property Class SNGL-FAM-RES
State Class Code 101
Zoning (Unofficial) C-1
Map/Lot 117-72
Land Area (sq. ft) 6,595

Property Value

Year of Assessment2026
Tax DistrictR3
Residential ExemptionYes
Building Value$2,518,600
Land Value$1,334,200
Assessed Value$3,852,800
Sale Price$76,000
Book/Page13705/306
Sale DateJune 4, 1979
Previous Assessed Value$3,735,900

Owner Information

Owner(s)BAUGHMAN, ROBERT W.
& HIDEMI T. BAUGHMAN
27 CLINTON ST
CAMBRIDGE, MA 02139-2303

Building Information

Residential Building Number 1, Section 1

Exterior
StyleCONVENTIONAL
Occupancy SNGL-FAM-RES
Number of Stories2.25
Exterior Wall Type Aluminum-Vinyl
Roof Type Gambrel
Roof Material Aspahlt Shingl
Interior
Living Area (sq. ft.)4,793
Number of Units 1
Total Rooms 13
Bedrooms 9
Kitchens 1
Full Baths 3
Half Baths 1
Fireplaces 1
Systems
Heat TypeHot Water
Heat Fuel Oil
Central A/C Yes
Condition & Grade
Year Built1894
Interior Condition Good
Overall ConditionGood
Overall GradeGood Very Good
Parking
Open Parking4
Covered Parking2
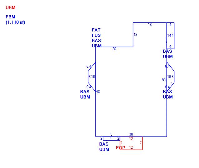
Subareas
Code Description Gross Area Living Area
BAS First Floor 2,220 2,220
FAT Finished Attic 2,058 515
FBM Basement, Finished 1,110 0
FOP Porch, Open 84 0
FUS Upper Story, Finished 2,058 2,058
UBM Basement 1,110 0
Total: 8,640 4,793
Extra Features / Outbuildings
DescriptionPATIO-CONCRT
Number of Units280.00
Unit TypeSF
DescriptionGAR-1.0S
Number of Units400.00
Unit TypeSF

Photos

(Click on a photo to view it at full size)

Sketches

(Click on a sketch to view it at full size)

Related Information

This page contains much of the information used by the City of Cambridge to assess properties. The purpose of this information is to be used only for ad valorem taxation purposes and any other use is therefore not valid.

Page was last modified on 3/8/2021 6:22 PM
Contact Us

How can we help?

Please provide as much detail below as possible so City staff can respond to your inquiry:

As a governmental entity, the Massachusetts Public Records Law applies to records made or received by the City. Any information received through use of this site is subject to the same provisions as information provided on paper.

Read our complete privacy statement


Service Requests

Enter a service request via SeeClickFix for things like missed trash pickups, potholes, etc.