U.S. flag

An official website of the United States government

Official websites use .gov
A .gov website belongs to an official government organization in the United States.

Secure .gov websites use HTTPS
A lock ( ) or https:// means you’ve safely connected to the .gov website. Share sensitive information only on official, secure websites.

Photo of houses along Bigelow Street

Property Database

16 Clinton St

Property Information

Property Class 4-8-UNIT-APT
State Class Code 111
Zoning (Unofficial) C-1
Map/Lot 118-7
Land Area (sq. ft) 10,084

Property Value

Year of Assessment2026
Tax DistrictC6
Residential ExemptionYes
Building Value$1,537,600
Land Value$1,045,000
Assessed Value$2,582,600
Sale Price$1
Book/Page35482/321
Sale DateMay 16, 2002
Previous Assessed Value$2,601,500

Owner Information

Owner(s)BUTLER, SUSAN FARIST
14-16 CLINTON ST
CAMBRIDGE, MA 02139-2303

Building Information

Commercial Building Number 1, Section 1

Exterior
StyleMULT-RESDNCE
Occupancy 4-8-UNIT-APT
Number of Stories2.5
Exterior Wall Type ASPHALT-SHNG
Roof Material ASPHALT-SHNG
Wall Height 12
Partititions AVERAGE
Interior
Living Area (sq. ft.)7,445
Number of Units 5
Systems
Heat TypeFORCED-AIR
Heat Fuel Gas
Plumbing AVERAGE
Condition & Grade
Year Built1900
Overall ConditionFair
Overall GradeAverage
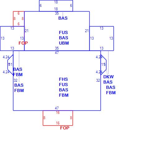
Subareas
Code Description Gross Area Living Area
BAS First Floor 2,733 2,733
DKW Deck Wood 169 0
FBM Basement, Finished 1,721 1,721
FHS Half Story, Finished 1,504 752
FOP Porch, Open 176 0
FUS Upper Story, Finished 2,239 2,239
UBM Basement 735 0
Total: 9,277 7,445

Photos

(Click on a photo to view it at full size)

Sketches

(Click on a sketch to view it at full size)

Related Information

This page contains much of the information used by the City of Cambridge to assess properties. The purpose of this information is to be used only for ad valorem taxation purposes and any other use is therefore not valid.

Page was last modified on 3/8/2021 6:22 PM
Contact Us

How can we help?

Please provide as much detail below as possible so City staff can respond to your inquiry:

As a governmental entity, the Massachusetts Public Records Law applies to records made or received by the City. Any information received through use of this site is subject to the same provisions as information provided on paper.

Read our complete privacy statement


Service Requests

Enter a service request via SeeClickFix for things like missed trash pickups, potholes, etc.