U.S. flag

An official website of the United States government

Official websites use .gov
A .gov website belongs to an official government organization in the United States.

Secure .gov websites use HTTPS
A lock ( ) or https:// means you’ve safely connected to the .gov website. Share sensitive information only on official, secure websites.

Photo of houses along Bigelow Street

Property Database

588 Franklin St

Property Information

Property Class TWO-FAM-RES
State Class Code 104
Zoning (Unofficial) C-1
Map/Lot 121-53
Land Area (sq. ft) 4,300

Property Value

Year of Assessment2026
Tax DistrictR12
Residential ExemptionYes
Building Value$1,516,300
Land Value$947,500
Assessed Value$2,463,800
Sale Price$1
Book/Page70960/578
Sale DateMay 3, 2018
Previous Assessed Value$2,409,100

Owner Information

Owner(s)SCHWEINHAUT, CHLOE &
KYLE SCHWEINHAUT
590 FRANKLIN ST
CAMBRIDGE, MA 02139

Building Information

Residential Building Number 1, Section 1

Exterior
StyleDUPLEX
Occupancy TWO-FAM-RES
Number of Stories2
Exterior Wall Type Frame-Clapbrd
Roof Type Gable
Roof Material Aspahlt Shingl
Interior
Living Area (sq. ft.)2,711
Number of Units 2
Total Rooms 6
Bedrooms 3
Kitchens 2
Full Baths 2
Half Baths 1
Fireplaces 0
Systems
Heat TypeForced Air
Heat Fuel Gas
Central A/C Yes
Condition & Grade
Year Built1873
Interior Condition Excellent
Overall ConditionExcellent
Overall GradeAverage
Parking
Open Parking4
Covered Parking0
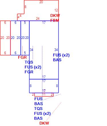
Subareas
Code Description Gross Area Living Area
BAS First Floor 814 814
DKW Deck Wood 278 0
FBM Basement, Finished 256 0
FGR Garage 240 0
FUS Upper Story, Finished 1,732 1,732
TQS Three Quarter Story 220 165
Total: 3,540 2,711
Extra Features / Outbuildings
DescriptionSOLAR PANELS
Number of Units33.00
Unit TypeU

Photos

(Click on a photo to view it at full size)

Sketches

(Click on a sketch to view it at full size)

Related Information

This page contains much of the information used by the City of Cambridge to assess properties. The purpose of this information is to be used only for ad valorem taxation purposes and any other use is therefore not valid.

Page was last modified on 3/8/2021 6:22 PM
Contact Us

How can we help?

Please provide as much detail below as possible so City staff can respond to your inquiry:

As a governmental entity, the Massachusetts Public Records Law applies to records made or received by the City. Any information received through use of this site is subject to the same provisions as information provided on paper.

Read our complete privacy statement


Service Requests

Enter a service request via SeeClickFix for things like missed trash pickups, potholes, etc.