U.S. flag

An official website of the United States government

Official websites use .gov
A .gov website belongs to an official government organization in the United States.

Secure .gov websites use HTTPS
A lock ( ) or https:// means you’ve safely connected to the .gov website. Share sensitive information only on official, secure websites.

Photo of houses along Bigelow Street

Property Database

62-64 Kinnaird St

Property Information

Property Class SNGL-FAM-RES
State Class Code 101
Zoning (Unofficial) C-1
Map/Lot 124-42
Land Area (sq. ft) 2,880

Property Value

Year of Assessment2026
Tax DistrictR12
Residential ExemptionYes
Building Value$930,500
Land Value$829,400
Assessed Value$1,759,900
Sale Price$760,000
Book/Page47822/562
Sale DateJuly 18, 2006
Previous Assessed Value$1,716,200

Owner Information

Owner(s)LYSTER, TIMOTHY & ELIZABETH LYSTER
62 KINNAIRD ST
CAMBRIDGE, MA 02139-3128

Building Information

Residential Building Number 1, Section 1

Exterior
StyleCONVENTIONAL
Occupancy SNGL-FAM-RES
Number of Stories2.75
Exterior Wall Type Wood Shingle
Roof Type Gable
Roof Material Aspahlt Shingl
Interior
Living Area (sq. ft.)2,242
Number of Units 1
Total Rooms 9
Bedrooms 4
Kitchens 1
Full Baths 2
Half Baths 1
Fireplaces 1
Systems
Heat TypeHot Water
Heat Fuel Gas
Central A/C No
Condition & Grade
Year Built1894
Interior Condition Good
Overall ConditionGood
Overall GradeAverage
Parking
Open Parking0
Covered Parking0
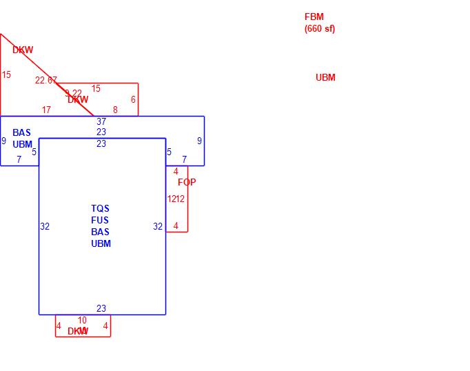
Subareas
Code Description Gross Area Living Area
BAS First Floor 954 954
DKW Deck Wood 237 0
FBM Basement, Finished 660 0
FOP Porch, Open 48 0
FUS Upper Story, Finished 736 736
TQS Three Quarter Story 736 552
UBM Basement 294 0
Total: 3,665 2,242

Photos

(Click on a photo to view it at full size)

Sketches

(Click on a sketch to view it at full size)

Related Information

This page contains much of the information used by the City of Cambridge to assess properties. The purpose of this information is to be used only for ad valorem taxation purposes and any other use is therefore not valid.

Page was last modified on 3/8/2021 6:22 PM
Contact Us

How can we help?

Please provide as much detail below as possible so City staff can respond to your inquiry:

As a governmental entity, the Massachusetts Public Records Law applies to records made or received by the City. Any information received through use of this site is subject to the same provisions as information provided on paper.

Read our complete privacy statement


Service Requests

Enter a service request via SeeClickFix for things like missed trash pickups, potholes, etc.